Presse-étoupe / bague de décharge de traction de 5,1 mm - noir 90381 FATO
Presse-étoupe / bague de décharge de traction de 5,1 mm - noir
010

Presse-étoupe / bague de décharge de traction de 5,1 mm - noir

90381
+

La quantité minimum pour "Presse-étoupe / bague de décharge de traction de 5,1 mm - noir" est 20.

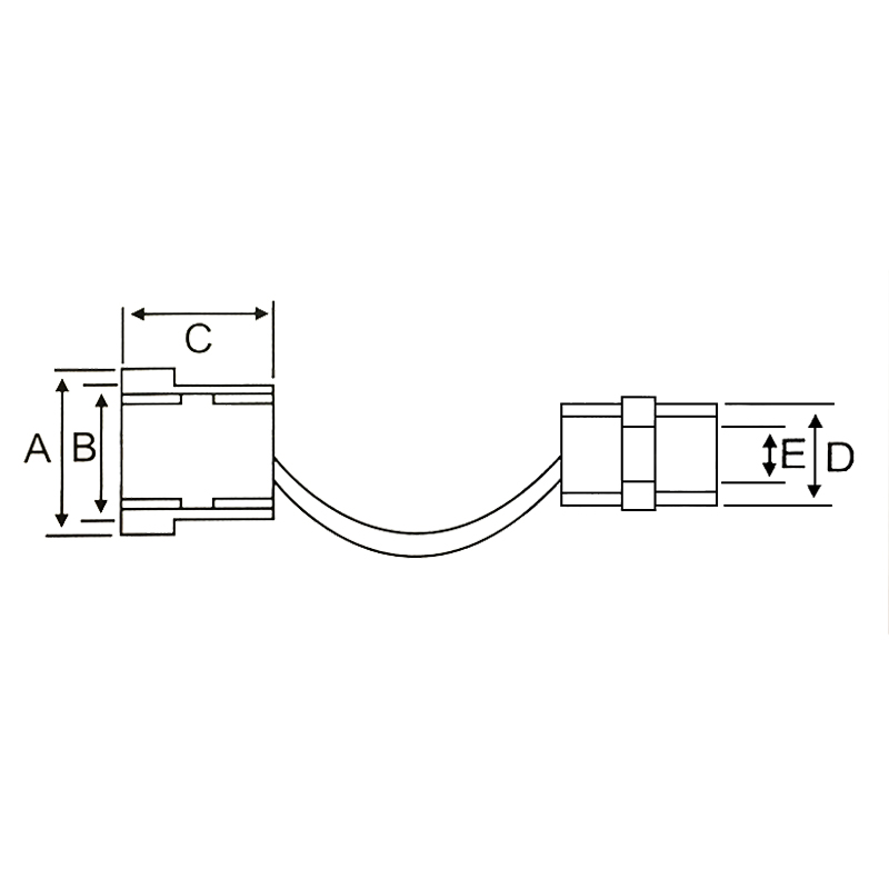
Ces serre-câbles Bushing sont fabriqués en nylon pour absorber les forces de traction, de poussée et de torsion des câbles.

Initiales: CB-A8

Dimensions (mm):

A: 12,8

B: 10.5

C: 11,8

D: 7,7

E: 5.1

Codice fornitore
CB-A8
Marque
FATO
Possibly you may be interested
  • On Sale
  • Most Popular
  • Recently Viewed
 
Fast and high quality delivery

Our company makes delivery all over the country

Quality assurance and service

We offer only those goods, in which quality we are sure

Returns within 30 days

You have 30 days to test your purchase